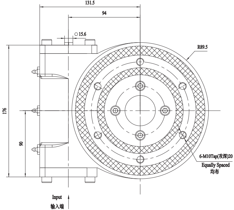
SE5/PE5
發布時間:2021/02/01 SE/PE系列 瀏覽次數:3126
| 項目/Item SE5&PE5 | 數值 Value | 單位 Unit |
| 輸出轉矩/Output Torque | 600 | N.m |
| 傾覆力矩/Tilting Moment Torque | 2800 | N.m |
| 保持力矩/Holding Torque | 5000 | N.m |
| 軸向靜載荷/Static Axial Rating | 45 | kN |
| 徑向靜載荷/Static Radial Rating | 22 | kN |
| 軸向動載荷/Dynamic Axial Rating | 14.4 | kN |
| 徑向動載荷/Dynamic Radial Rating | 11.1 | kN |
| 減速比/Gear Ratio | 62:1 | — |
| 精度等級/Tracking Precision | ≤0.2 ≤0.08/0.12 | ° |
| 重量/Weight | 16 | kg |
相關推薦
獲取方案報價







